
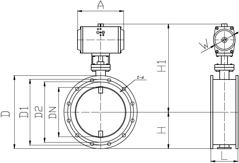
公称通径DN25-DN1000
公称压力1.6
结构形式A型、LT凸耳
连接方式对夹、法兰
温度范围NBR:-30~80℃ EPDM:-30~120℃ PTFE:-30~130
概述:
气动蝶阀由气动执行器和中线蝶阀组成,气动蝶阀配行程限位开关、电磁阀、三联件及0.4-0.7MPa气源可实现开关操作,并送出二对无源触点信号指示阀门的开关。与电气定位器配套,输入4-20mADC信号及0.4-0.7MPa气源即可实现智能控制,实现对压力、流量、温度、液位等参数的调节。它是以压缩空气为动力,阀杆带动阀芯在阀体内转动90℃,可以实现全开——全闭的动作。该产品按其密封性能分为金属密封与软密封。具有结构紧凑,体积精小,运行可靠,密封性好,维修容易,安装方便,适应性强等优点。可广泛应用于石油、化工、轻工、制药、造纸、汽车等工业自动控制系统中作远距离集中控制或就地控制。
产品特点:
阀体材质:碟阀、304、316、UPVC
阀板材质:304、316、316L、尼龙板、铝青铜、球铁镀镍
密封阀座:NBR、EPDM、PTFE
压力等级:1.6MPa
公称通径:DN25-DN1000
结构形式:A型、LT凸耳式
连接方式:对夹、法兰
电压范围:AC220V/110V/380V/24V 50/60HZ DC24V/12V +10%到-10%
温度范围:NBR:-30~80℃ EPDM:-30~120℃ PTFE:-30~130℃
气动执行器:双作用、单作用
气动附件:换向电磁阀、限位开关、空气过滤减压阀、电气定位器、手轮机构

